找回密码
 立即注册

QQ登录

只需一步,快速开始

查看: 2265|回复: 81

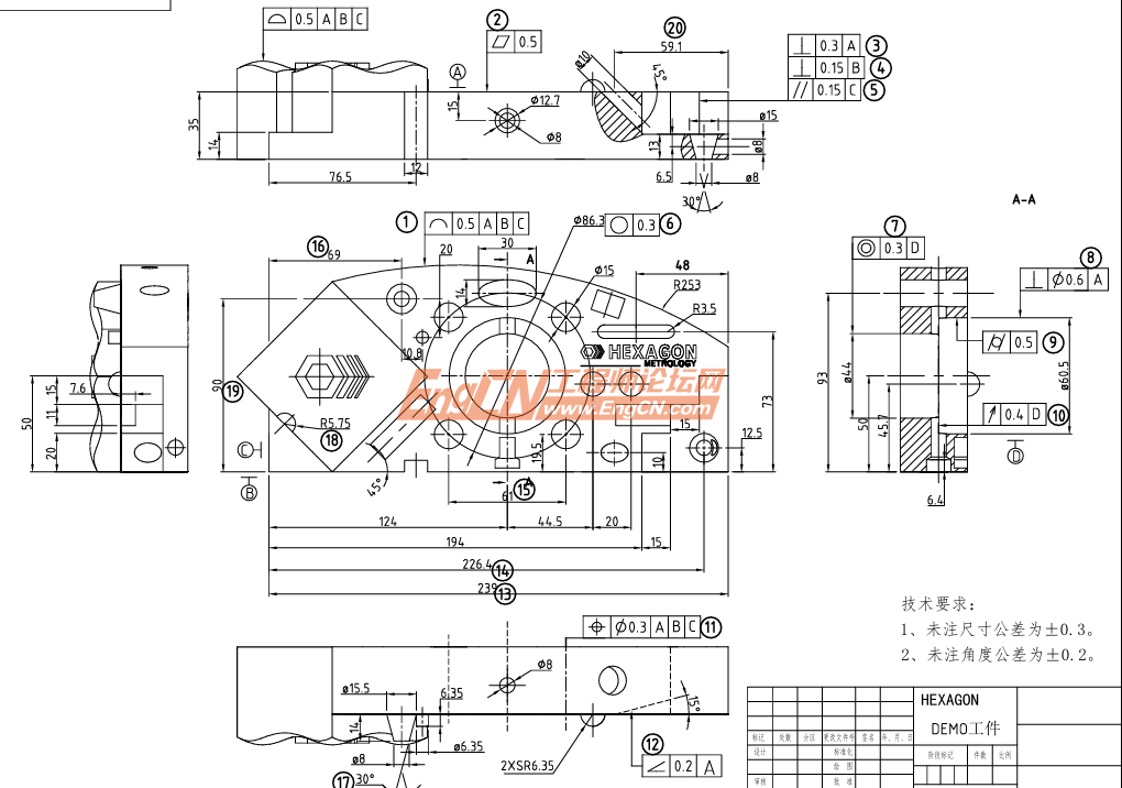
[数模图纸] PC-DMIS 海克斯康三坐标上机考试图纸 DEMO图纸考试

 火... [复制链接]

79

主题

21

回帖

804

积分

LV 2

精华
3
阅读权限
20
发表于 2025-8-28 22:11:39 | 显示全部楼层 |阅读模式

马上注册,结交更多好友,享用更多功能,让你轻松玩转社区。

您需要 登录 才可以下载或查看,没有账号?立即注册

×
wechat_2025-08-28_220859_174.png





游客,如果您要查看本帖隐藏内容请回复




工程师交流论坛 - 免责声明
1、工程师交流论坛为非营利性网站,全站所有资料仅供网友个人学习使用,禁止商用
2、本站所有文档、视频、书籍等资料均由网友分享,本站只负责收集不承担任何技术及版权问题
3、如本帖侵犯到任何版权问题,请立即告知本站,本站将及时予与删除下载链接并致以最深的歉意
4、本帖部分内容转载自其它媒体,但并不代表本站赞同其观点和对其真实性负责
5、一经注册为本站会员,一律视为同意网站规定,本站管理员及版主有权禁止违规用户
6、其他单位或个人使用、转载或引用本文时必须同时征得该帖子作者和工程师交流论坛的同意
7、工程师交流论坛的管理员和版主有权不事先通知发贴者而删除本文

0

主题

9

回帖

21

积分

论坛贵宾-VIP用户

精华
0
阅读权限
100
发表于 2025-9-11 08:51:15 | 显示全部楼层
好人一生平安

1

主题

6

回帖

11

积分

论坛贵宾-VIP用户

精华
0
阅读权限
100
发表于 2025-9-12 14:05:19 | 显示全部楼层
支持分享优质学习内容,必须支持优质内容!

0

主题

13

回帖

25

积分

论坛贵宾-VIP用户

精华
0
阅读权限
100
发表于 2025-9-16 10:10:34 | 显示全部楼层
让我前排来看一下,感谢这么棒的学习资源!

6

主题

49

回帖

204

积分

论坛贵宾-VIP用户

精华
0
阅读权限
100
发表于 2025-9-18 19:35:12 | 显示全部楼层
终于找到组织了,必须大力支持!

0

主题

18

回帖

26

积分

论坛贵宾-VIP用户

精华
0
阅读权限
100
发表于 2025-9-19 16:17:39 | 显示全部楼层
终于找到组织了,必须大力支持!

1

主题

27

回帖

81

积分

论坛贵宾-VIP用户

精华
0
阅读权限
100
发表于 2025-9-19 18:40:17 | 显示全部楼层
感谢楼主分享,谢谢啦!好人一生平安!

0

主题

20

回帖

24

积分

论坛贵宾-VIP用户

精华
0
阅读权限
100
发表于 2025-9-19 22:47:07 | 显示全部楼层
希望更多朋友一起学习,顶顶顶!

0

主题

14

回帖

29

积分

论坛贵宾-VIP用户

精华
0
阅读权限
100
发表于 2025-9-20 16:58:20 | 显示全部楼层
真是一个好的学习论坛,遇见神贴岂能不顶!

0

主题

3

回帖

11

积分

论坛贵宾-VIP用户

精华
0
阅读权限
100
发表于 2025-9-20 18:44:13 | 显示全部楼层
1
您需要登录后才可以回帖 登录 | 立即注册

本版积分规则

您需要 登录 后才可以回复,轻松玩转社区,没有帐号?立即注册
快速回复

Archiver|手机版|小黑屋|工程师交流论坛 ( 浙ICP备2025194343号-1 )

GMT+8, 2026-1-30 13:14 , Processed in 0.114970 second(s), 34 queries .

Powered by Discuz! X3.5

© 2001-2026 Discuz! Team.

快速回复 返回顶部 返回列表